芯片引脚
以模块TMUX1248,编号为U510为例,小白点代表封装原点(1)开始的地方

模块TMUX1248的俯视图,可以看到模块引脚编号是从逆时针方向递增的:1-6,靠近原点的地方为S2

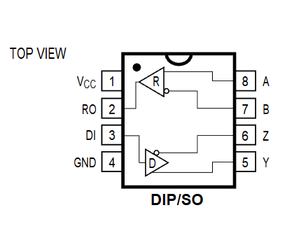
同理,下面几个MAX487E芯片,它的原点(1)也在左上方

MAX487E的引脚编号按逆时针分布:1-8,靠近原点的是VCC

示波器
默认探头带钩子,可以用钩子钩住引脚

如果引脚太小,可以拔掉探头前端,用点触的方式进行测量(跟万用表类似)

测量数字信号时,根据芯片引脚的时钟和电压范围,安排适当的时基、触发电平和垂直灵敏度:确保采样数据量(记录长度)足够、信号清晰可辨,针对差分信号可以使用Math合成新的通道
